QSG-C2218

Product Features

Stretch ceiling Aluminum Channel. Made from high-quality anodized aluminum extrusions, it features high strength, lightweight construction, corrosion resistance, and excellent heat dissipation. Its unique structural design securely "locks" the silicone strips around the edges of the soft film into the channel, providing even tension to keep the stretch ceiling film flat and taut. Whether for flat, curved, wave-shaped, or irregular surfaces, the edge aluminum channels can be customized to meet various structural needs. It goes beyond traditional lighting solutions that merely achieve seamless integration with the space, creating a comfortable, premium, and expressive visual environment. Primarily used in studios, brand stores, offices, and so on.

Applicable Scenarios

Widely used in indoor, office, shopping malls, hotels and other spatial scenarios.

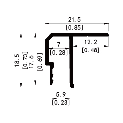
Dimensional Drawing
Product Composition